Кереш сүз
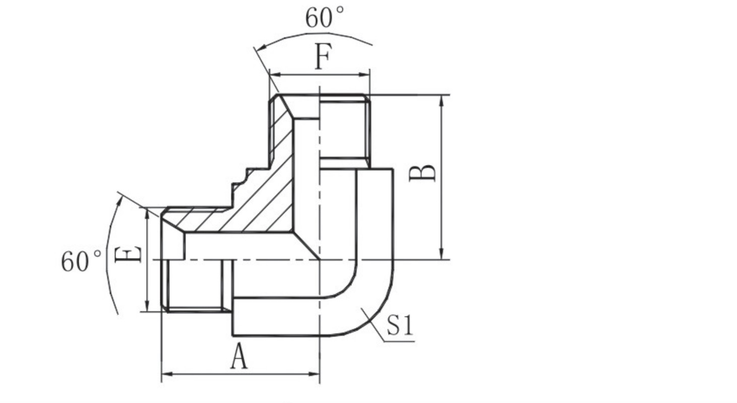
Гидротехник 90 градус адаптер - гидротехник линияләрнең 90 градус почмакта борылуына ярдәм итүче өлеш. Аның агып чыгуын туктатыр өчен мөһере бар. Көчле материаллардан эшләнгән, ул югары басым белән эш итә ала. Ул заводларда, фермаларда һәм машиналарда эшли. Ул күп сызыкларга туры килә, сыеклыкның шома агымын саклый, салу җиңел һәм аз төзәтергә кирәк. Озын куллану өчен яхшы, бу сызыклар кискен борылырга тиеш урыннар өчен акыллы сайлау.



Характеристикалар

|
NOК. |
ӨЧ |
ДИМЕНСИОНЛАР |
|||
|
E |
F |
A |
B |
S1 |
|
|
1B9-02 |
G1/8*X28 |
G1/8"*X28 |
19.8 |
19.8 |
11 |
|
1B9-02-04 |
G1/8*X28 |
G1/4"*X19 |
23 |
25 |
14 |
|
1B9-04 |
G1/4*X19 |
G1/4"*X19 |
24.5 |
24.5 |
14 |
|
1B9-04-06 |
G1/4*X19 |
G3/8"*X19 |
26.5 |
27.5 |
16 |
|
1B9-06 |
G3/8*X19 |
G3/8"*X19 |
27.5 |
27.5 |
16 |
|
1B9-08 |
G1/2*X14 |
G1/2"*X14 |
34.5 |
34.5 |
22 |
|
1B9-08-12 |
G1/2*X14 |
G3/4"*X14 |
37.5 |
40 |
27 |
|
1B9-10 |
G5/6*X14 |
G5/8"*X14 |
35 |
35 |
22 |
|
1B9-10-12 |
G5/8*X14 |
G3/4"*X14 |
37.5 |
39 |
30 |
|
1B9-12 |
G3/4*X14 |
G3/4"*X14 |
40 |
40 |
27 |
|
1B9-12-16 |
G3/4*X14 |
G1"*X11 |
43.5 |
46 |
33 |
|
1B9-16 |
G1"*X11 |
G1"*X11 |
46 |
46 |
33 |
|
1B9-16-20 |
G1"*X11 |
G1,1/4"*X11 |
50.5 |
50.5 |
41 |
|
1B9-20 |
G1,1/4"*X11 |
G1,1/4"*X11 |
50.5 |
50.5 |
41 |
|
1B9-20-24 |
G1,1/4"*X11 |
G1,1/2"*X11 |
54.5 |
57.5 |
48 |
|
1B9-24 |
G1,1/2"*X11 |
G1,1/2"*X11 |
57.5 |
57.5 |
48 |
|
1B9-32 |
G2"*X11 |
G2"*X11 |
68 |
68 |
63 |
Параметрлар / Техник мәгълүматлар
|
Оригиналь |
Чжэцзян, Китай |
Тапшыру датасы |
Сөйләшү |
|
Сертификат |
GB / T19001-2016 idt ISO9001: 2015 |
Урлау |
экспорт стандарты |
|
Материал |
Карбон корыч |
Гарантия |
1 ел |
|
Түләү вакыты |
ТТ |
MOQ |
2000 |
|
Шарт |
Яңа |
Төс |
Ак цинк, төсле цинк |
Компания турында












Уңай яклары
Qualityгары сыйфат
Безнең квалификацияле команда югары стандартларны тәэмин итә. Без катгый сыйфат белән идарә итәбез һәм профессиональ сертификатлар тотабыз.
10+ Тәҗрибә еллары
2011 елдан без клиентларга 40+ илләрдә хезмәт күрсәттек, шул исәптән АКШ, Германия, Австралия һәм башкалар. Ышанычлы продуктлар һәм искиткеч хезмәт өчен ышанычлы.
Киң продукт диапазоны
4 төп продукт линиясе (гидротехник җиһазлар, ферруллар, адаптерлар, һәм нейлон труба җиһазлары). Төрле ихтыяҗларны канәгатьләндерү өчен 100+ сортлары.
Уңай бәяләр
Без сыйфатны корбан итмичә конкурент бәяләр тәкъдим итәбез.
Клиент - Беренче хезмәт
Сезнең канәгатьләнү безнең өстенлек. Төрле сорауларга җаваплар һәм чишелешләр.
Уңайлы урын
Ханчжоу янында, тиз җибәрү һәм логистика белән.

Сораулар
С: Нигә безне сайларга?
К: Без гидротехника белән 10 ел эшләдек. Безнең продуктлар яхшы сыйфатлы, 18 - ай гарантиясе белән киләләр, һәм без тиз китерәбез. Без шулай ук чыгымнарны экономияләргә булышабыз, һәм - сату хезмәтебез стресссыз.
С: Без заводмы, сәүдә компаниясеме?
:: Без гидротехник җиһазлар җитештерүче оригиналь завод. Без аларны 10 ел дәвамында ясарга һәм камилләштерүгә игътибар иттек.
С: Күпме китерергә?
:: Әгәр бездә товар запасы булса, гадәттә 7 - 15 көн кирәк. Notк икән, 30-45 көн - бу күпме заказ бирүегезгә бәйле.
С: Ничек түләргә?
:: Заказны раслаганда 30% түләгез. Калган 70% түләгез, без сезгә түләү кәгазенең күчермәсен җибәргәннән соң.
С: Без үрнәк ала алабызмы? Алар бушлаймы?
:: Хәзерге продуктларыбыз өчен без сынау өчен 2 бушлай үрнәк бирә алабыз. Ләкин җибәрү өчен түләргә кирәк. Заказлы продуктлар өчен, үрнәк планны эшләү өчен безнең белән сөйләшегез.
С: Кулланганда сыйфат проблемасы булса?
:: Без 12 айга сыйфатны гарантиялибез (тапшыру көненнән). Кешеләр тудырмаган барлык проблемалар яктыртылган.
С: Без урнаштыра алган иң кечкенә заказ нинди?
:: Акциядәге продуктлар өчен сез бары тик 1 сатып ала аласыз.
С: Сез рәсемнәрдән продукт ясый аласызмы?
К: Әйе. Ләкин безгә ачык техник таләпләр һәм толерантлык стандартлары кирәк.
С: - сату хезмәтеннән соң сезнең нәрсә?
К: Без логистиканы барча күзәтәбез. Без сезне товарның кайда икәнлеген яңартабыз, һәм сез аларны алганнан соң бәхетле булуыгызны тикшерәбез.
С: Сез продуктның сыйфатын ничек тикшерәсез?
:: Бездә профессиональ сынау кораллары бар: тоз сиптергечләр, керү машиналары, каты сынаучылар һ.б. Продукциянең яхшы булуына инану өчен кулланабыз.
С: Сез OEM хезмәтен тәкъдим итәсезме?
К: Әйе. Төгәлрәк мәгълүмат өчен безнең белән элемтәгә керегез.
С: Сез нинди төрү төрен кулланасыз?
К: Хәзер без мультфильмнар кулланабыз. Ләкин безгә сезнең ихтыяҗларыгызны әйтегез, һәм без аларны канәгатьләндерергә тырышырбыз.
С: Кайчан бәя алырмын?
:: Без бәяләр турында соравыгызны алганнан соң, гадәттә, 8 сәгать эчендә цитата җибәрәбез.
Кайнар тэглар: гидротехник 90 градус адаптер, Кытай гидротехник 90 градус адаптер җитештерүче, завод
